昨年購入したIC-7000Mをパソコンに繫いでJT-65/FT8が出来るようにしてみようと思い、信号変換アダプターの製作をしたので掲載しておきます。
最近のリグはIC-7300MのようにUSB1本で接続できるので、こういうインターフェースBOXは必要ないですが、USBインターフェースの無い昔のICOMリグでJT65/FT8を始める方(あまりいらっしゃらないと思いますが(笑))の参考になれば幸いです。
回路設計にあたり、以下を参考にさせていただきました。
① JT65 PCインターフェース
② CI-V ICOM USB 自作 インターフェース 232C PIC18F14K50 IC-706MK2G
③ RigとIFの接続
①はインターフェースBOXにUSBシリアルインターフェースと送受信のAUDIOインターフェースを組み込んだもので、今回製作のBOXと同じ構成なのでとても参考になりました。
②にCI-VインターフェースのREMOTEジャックの信号についての情報がありました。
③の資料でIC-7000のDATAソケットがAUDIO信号入出力に使える事が分かりました。
1. 方針
USB接続のインターフェースBOXを作成する。インターフェースBOXでは以下を行う。
CI-Vシリアル通信 REMOTEジャックに接続
AUDIO信号送受信 DATAソケットに接続
PCとのUSB接続はシリアル通信用とAUDIO信号用の2本とする。(1本にするにはUSBブリッジが必要なので)
2. 回路構成検討
(1) シリアル通信
・USBシリアル変換モジュールを使う。
・REMOTEジャックの通信信号はワイアードオア接続の1芯式半2重通信になっている。
シリアル通信はシリアル変換モジュールのTxD/RxDを直接接続する。
・誤接続で13.6Vが印加されても壊れない程度の保護回路を入れておく。
保護回路はツェナー(USBから電源供給されていない場合の保護用)、ダイオード、保護抵抗で構成する。誤接続時は保護抵抗が破損しても良い。
(2) AUDIO信号
・USBオーディオ変換アダプタを使う。
USBオーディオ変換アダプタはインターフェース筐体に収容して内部で信号を接続する。(実際の組立で断念しました。(´;ω;`))
・AUDIO信号は取扱説明書にある回路に従ってトランスによりアイソレーションする。
・AUDIO信号の接続は当初ACCソケットを使おうと思ったが、DATAソケットが使える事が分かったのでDATAソケットに接続する。
DATAのPTT信号を使うと送信中マイクがカットされるので都合が良い。
DATAソケットはMINI DIN6ピンなので入手が容易。
RTTY信号が無いがRTTYはAFSKで運用できるので良しとする。
(3) 制御信号
・以下の信号を接続する。
① DTR-PTT DATAソケット内信号に接続する。
② RTS-KEY CW KEY用ジャックを設ける。RTTY用の端子もパラに作っておく。(実際の組立でCW KEYジャックは断念しました。)
・ドライブはトランジスタや保護回路を省略するためにフォトリレーを使う。
応答速度はRTTY程度(45.45Baud)なら問題ない。
・DTR/RTSの使い方はDTRをPTTにした。(一般的な接続と逆だけど、IC-7300M時の設定を踏襲。この記事を参考にする方は注意してください。)
(2018/1/26追記)
その後、制御信号はRTS-->PTTに変更しました。APRSをやってみようとしてAGWPEというTNCシュミレーターソフトをインストールしたらPTT制御信号がRTSに固定だったので、一般的な接続に変更しました。WSJT-Xの設定も変更しました。回路図も変更してあります。 (^^;
(4) LED表示
・電源ON確認/CI-V通信の表示用LED(ACTIVE表示)を設ける。
手持ちの青色LEDのVIFが高いので5V電源を使う。(他は3.3Vで動作させる。)
3. 回路設計
回路図エディタBSch3V を使って回路図を作成しました。詳細は先の記事 回路図エディタ BSch3Vの使い方 で掲載したので参照してください。
回路図です。(2020年6月7日追記 受信信号にDATA OUTとAF OUTを接続していましたが、AF OUTのみにしました。詳細はIC-7000用PCインターフェースBOX改造 受信歪み対策 参照)

4. 部品収集
部品は主に秋月電子通商で集めました。部品表です。
手持ちの部品はほとんど無いので約8,000円の出費でした(使わなかった部品も買ったので)。
主な部品は以下です。
・Amazon UGREEN USBオーディオ変換アダプタ サウンドカード 外付け 3.5mm ミニ ジャック ヘッドホン・マイク端子付 ¥998
・秋月 FT232RL USBシリアル変換モジュール ¥950
・モノタロウ 橋本電気(SANSUI) トランジスタ用小型トランス ST-23 2個 (税込¥1,229)
aitendoの格安トランスが売り切れでした(涙)。
部品表にありませんが、USBシリアル用のUSBケーブルは手持ちのものがあったので、それを使いました。
DATA用の多芯シールドケーブルは使っていないパソコンモニタ用VGAケーブルを切断して使いました。
プリント基板はパターンを起こしたいところですが、ユニバーサル基板を使いました。
5. 製作
・最初にユニバーサル基板をカットしてケースに入るようにしました。
基板取付けネジは添付されていないので別に2mmのネジを用意する必要があります。
主要部品を並べてみたらUSBオーディオ変換アダプタの内蔵は無理でした。CW KEY用ジャックも付けると基板の脱着が難しいので止めました。(仕事だったら、こんな事をやったら叱られますね。(笑))
・部品実装配線
主に基板裏で部品のリード線を使って配線しました。
適当に部品を配置しながら配線したのですが、ピンヘッダーはもう少し内側に配置したほうがピンソケットを抜差しし易かったと思います。後の祭りですが。(笑)
基板は組立後に回路図に従ってテスターで導通チェックを行いました。
・次に実装した部品位置に合わせてケースにUSB、LED、外部接続ケーブル用の穴を開けました。
・AUDIOケーブル、DATAケーブル(MINI DIN6)、REMOTEケーブルを作成ししました。
MINI DINプラグの分解方法が分からず手間取りましたが、外側のビニールスリーブと内側のプラスチックの隙間に小型マイナスドライバを入れて隙間を開けて抜きました。
REMOTEケーブルは購入した3.5mmステレオミニプラグを使わず手持ちのPCスピーカー用ケーブルを切って使いました。AUDIO信号では無いので金メッキでで無くても大丈夫だと思います。
ケーブルは当初ピンヘッダに直付けする予定でしたが、ケースへの組込が難しくなりそうなので、ピンソケットで外せる構造にしました。ピンソケットのハンダ付け部は収縮チューブで保護しました。
組込のし易さを考えるとケーブルを通す穴はケースとフタの接合部にくぼみを作るやり方にした方が良かったかも知れません。
穴を通す方法だと、先にケーブルを穴を通した状態でコネクタを付けないと後で通せなくなるので注意が必要です。(当たり前ですね。)
プリント基板を組込んで完成です。
6. 動作確認、トラブル対応
・最初に電源をつないで電源電圧(3.3V、5V)を確認しました。
・USBシリアルはテラタームでブレーク信号を送出してLEDで確認しました。
・AUDIOは実際にパソコンとIC-7000Mに接続して確認しました。
受信はサウンドで受信音をパソコンのスピーカーに出して聞こえる事を確認
送信はWaveGeneでパソコンから音を送ってDATAコネクタのTxAudio信号にイヤホンを接続して確認
・次にWSJT-Xの設定を変更(マイク/スピーカ)して実際に送受信してみました。
受信は問題ない。ボリュームでレベル調整した。PC側レベルは50%にした。
送信も送信出力を0%で送信するとALCが振れるので問題ない。モニターONするとモニター音が聞こえる。ALCがオーバーしないようにボリュームでレベル調整した。PC側レベルは50%くらいにした。
・その後トラブル発生。 実際に通信してみようと送信出力100%で送信テストするとWSJT-Xでエラーが表示され、送信も受信も音が出なくなりました。
しばらく悩みましたが、送信開始するとUSBオーディオ変換アダプタがおかしくなるので、どうも送信の周り込みでUSBオーディオ変換アダプタがエラー(リセット?)するらしいです。
このため、4本のケーブルにフェライトコアを追加したら現象が起きなくなりました。
・通信確認
問題なく通信出来ています。
・改善変更点
LEDが明るすぎるので調整が必要でした。手持ちの青色LEDを付けたのですが高輝度LEDなので10mAの電流では眩しかったです。
ボリュームを付けて調整したところ5KΩくらいの明るさが丁度良かったので電流制限抵抗を220Ωから4.7KΩに変更しました。
屋外で使うのならもっと明るいほうが良いかも知れません。
・表示
テプラでシールを作って貼りました。
(余談)
40年以上前の学生の頃は自作品に転写シールから文字を一文字づつ転写して最後にクリアラッカーをかけていましたが、最近はプリンタでフィルムに印刷して貼る方法が一般的なようですね。 今度やってみようと思います。
(就職してからは、試作は業者さんにお願いしていました。最初の頃は事業部内に試作部門がありましたね。文字表示もやってもらえました。)
7. ランニング他
・現在IC-7000MでHFのFT8/JT65の運用をしています。
IC-7000Mはアンテナチューナーが無いし、主にV/UHF用で使っているので、しばらく使って問題が無いようならHF用はIC-7300Mに戻すつもりです。
144MHzでJT65をやりたいですが、山口県の田舎ではFMで出ている局もほとんどいない状況なのでJT65で出ている局はまず居ないと思います。春になって144MHzのEスポでも出れば144MHzでJT65通信が出来るかも知れませんので、それを期待したいと思います。
・話が前後しますが、評価用に格安オシロスコープを購入したので気になっていたところを確認しました。
オシロが届いた時には動作確認が終わっていたので、簡単に以下を確認しました。
オーディオ信号のレベルとノイズ
データ通信波形の確認
Lowレベルの電圧(保護抵抗の影響を確認) 0.5Vで問題ない。
保護抵抗の電流値(信号High時にも保護回路により3.3Vに引き込んでいるので電流が流れている。) 0.6mAで問題ない。
詳しくは格安オシロスコープ(Kuman DSO Shell ) を入手。ちゃんと使えました。を参照してください。
ずいぶん長い記事になってしましました。m(__)m
(2021年12月21日 追加情報)
本記事を参考にしてPCインターフェースBOXを制作した方から「IC-756Pro2でうまく動かなかった。R7 4.7kΩのプルアップ抵抗、保護回路を外したら動いた。」という情報をいただきました。
IC-756Pro2のCI-V回路を見ると5V電源で動いています。

IC-7000は3.3V電源です。(ICOM機 DATA端子、REMOTE端子 考察 参照)

IC-756Pro2は5V電源なので3.3Vにプルアップするとうまく動かないようです。
ところで、本記事を書いた時点ではリグとパソコンのアイソレーションが重要なのだろうと思って、IC-7000Mのマニュアルに書いてあるようにAUDIO信号をトランスで分離しました。しかしその後、トランスで分離しなくても問題は無く、送信の回り込みはコアで対策する必要がある事が分かってきました。
USBインターフェースの無いICOM機を使う場合は、以下の記事を参考にしてAUDIOケーブルを作るのが良いと思います。
CI-VケーブルはAmazonで買うのが良いと思います。
ICOM機 FT8用AUDIOケーブル作成
Amazonのノーブランド ICOM CI-Vケーブルを買ってみた
(2022年1月23日 追記)FT8通信の設定
本PCインターフェースを使ってFT8通信を行う場合の通信ソフト、無線機の設定についての記事を書きました。
IC-7000 FT8通信の設定
最近のリグはIC-7300MのようにUSB1本で接続できるので、こういうインターフェースBOXは必要ないですが、USBインターフェースの無い昔のICOMリグでJT65/FT8を始める方(あまりいらっしゃらないと思いますが(笑))の参考になれば幸いです。
回路設計にあたり、以下を参考にさせていただきました。
① JT65 PCインターフェース
② CI-V ICOM USB 自作 インターフェース 232C PIC18F14K50 IC-706MK2G
③ RigとIFの接続
①はインターフェースBOXにUSBシリアルインターフェースと送受信のAUDIOインターフェースを組み込んだもので、今回製作のBOXと同じ構成なのでとても参考になりました。
②にCI-VインターフェースのREMOTEジャックの信号についての情報がありました。
③の資料でIC-7000のDATAソケットがAUDIO信号入出力に使える事が分かりました。
1. 方針
USB接続のインターフェースBOXを作成する。インターフェースBOXでは以下を行う。
CI-Vシリアル通信 REMOTEジャックに接続
AUDIO信号送受信 DATAソケットに接続
PCとのUSB接続はシリアル通信用とAUDIO信号用の2本とする。(1本にするにはUSBブリッジが必要なので)
2. 回路構成検討
(1) シリアル通信
・USBシリアル変換モジュールを使う。
・REMOTEジャックの通信信号はワイアードオア接続の1芯式半2重通信になっている。
シリアル通信はシリアル変換モジュールのTxD/RxDを直接接続する。
・誤接続で13.6Vが印加されても壊れない程度の保護回路を入れておく。
保護回路はツェナー(USBから電源供給されていない場合の保護用)、ダイオード、保護抵抗で構成する。誤接続時は保護抵抗が破損しても良い。
(2) AUDIO信号
・USBオーディオ変換アダプタを使う。
USBオーディオ変換アダプタはインターフェース筐体に収容して内部で信号を接続する。(実際の組立で断念しました。(´;ω;`))
・AUDIO信号は取扱説明書にある回路に従ってトランスによりアイソレーションする。
・AUDIO信号の接続は当初ACCソケットを使おうと思ったが、DATAソケットが使える事が分かったのでDATAソケットに接続する。
DATAのPTT信号を使うと送信中マイクがカットされるので都合が良い。
DATAソケットはMINI DIN6ピンなので入手が容易。
RTTY信号が無いがRTTYはAFSKで運用できるので良しとする。
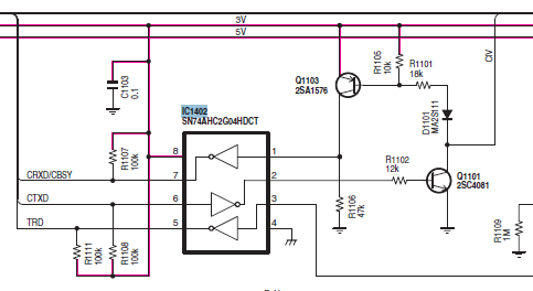
(3) 制御信号
・以下の信号を接続する。
① DTR-PTT DATAソケット内信号に接続する。
② RTS-KEY CW KEY用ジャックを設ける。RTTY用の端子もパラに作っておく。(実際の組立でCW KEYジャックは断念しました。)
・ドライブはトランジスタや保護回路を省略するためにフォトリレーを使う。
応答速度はRTTY程度(45.45Baud)なら問題ない。
(2018/1/26追記)
その後、制御信号はRTS-->PTTに変更しました。APRSをやってみようとしてAGWPEというTNCシュミレーターソフトをインストールしたらPTT制御信号がRTSに固定だったので、一般的な接続に変更しました。WSJT-Xの設定も変更しました。回路図も変更してあります。 (^^;
(4) LED表示
・電源ON確認/CI-V通信の表示用LED(ACTIVE表示)を設ける。
手持ちの青色LEDのVIFが高いので5V電源を使う。(他は3.3Vで動作させる。)
3. 回路設計
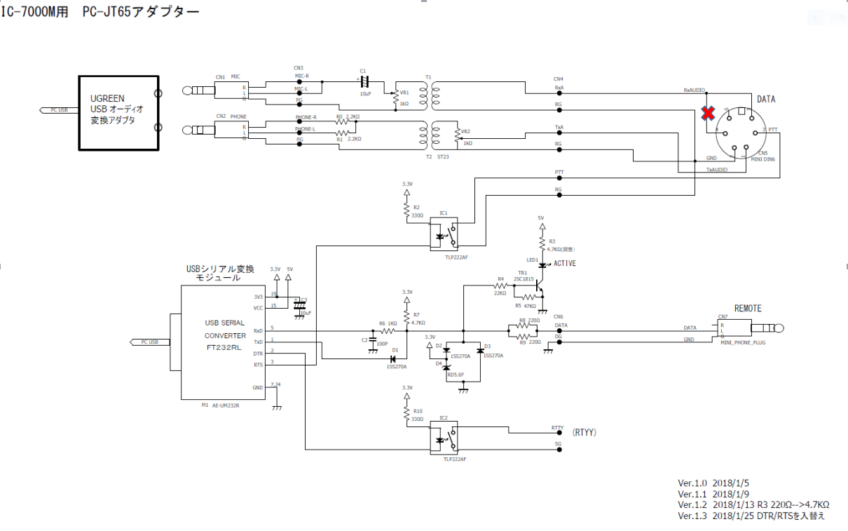
回路図エディタBSch3V を使って回路図を作成しました。詳細は先の記事 回路図エディタ BSch3Vの使い方 で掲載したので参照してください。
回路図です。(2020年6月7日追記 受信信号にDATA OUTとAF OUTを接続していましたが、AF OUTのみにしました。詳細はIC-7000用PCインターフェースBOX改造 受信歪み対策 参照)

4. 部品収集
部品は主に秋月電子通商で集めました。部品表です。
手持ちの部品はほとんど無いので約8,000円の出費でした(使わなかった部品も買ったので)。
主な部品は以下です。
・Amazon UGREEN USBオーディオ変換アダプタ サウンドカード 外付け 3.5mm ミニ ジャック ヘッドホン・マイク端子付 ¥998
・秋月 FT232RL USBシリアル変換モジュール ¥950
・モノタロウ 橋本電気(SANSUI) トランジスタ用小型トランス ST-23 2個 (税込¥1,229)
aitendoの格安トランスが売り切れでした(涙)。
部品表にありませんが、USBシリアル用のUSBケーブルは手持ちのものがあったので、それを使いました。
DATA用の多芯シールドケーブルは使っていないパソコンモニタ用VGAケーブルを切断して使いました。
プリント基板はパターンを起こしたいところですが、ユニバーサル基板を使いました。
5. 製作
・最初にユニバーサル基板をカットしてケースに入るようにしました。
基板取付けネジは添付されていないので別に2mmのネジを用意する必要があります。
主要部品を並べてみたらUSBオーディオ変換アダプタの内蔵は無理でした。CW KEY用ジャックも付けると基板の脱着が難しいので止めました。(仕事だったら、こんな事をやったら叱られますね。(笑))
・部品実装配線
主に基板裏で部品のリード線を使って配線しました。
適当に部品を配置しながら配線したのですが、ピンヘッダーはもう少し内側に配置したほうがピンソケットを抜差しし易かったと思います。後の祭りですが。(笑)
基板は組立後に回路図に従ってテスターで導通チェックを行いました。
・次に実装した部品位置に合わせてケースにUSB、LED、外部接続ケーブル用の穴を開けました。
・AUDIOケーブル、DATAケーブル(MINI DIN6)、REMOTEケーブルを作成ししました。
MINI DINプラグの分解方法が分からず手間取りましたが、外側のビニールスリーブと内側のプラスチックの隙間に小型マイナスドライバを入れて隙間を開けて抜きました。
REMOTEケーブルは購入した3.5mmステレオミニプラグを使わず手持ちのPCスピーカー用ケーブルを切って使いました。AUDIO信号では無いので金メッキでで無くても大丈夫だと思います。
ケーブルは当初ピンヘッダに直付けする予定でしたが、ケースへの組込が難しくなりそうなので、ピンソケットで外せる構造にしました。ピンソケットのハンダ付け部は収縮チューブで保護しました。
組込のし易さを考えるとケーブルを通す穴はケースとフタの接合部にくぼみを作るやり方にした方が良かったかも知れません。
穴を通す方法だと、先にケーブルを穴を通した状態でコネクタを付けないと後で通せなくなるので注意が必要です。(当たり前ですね。)
プリント基板を組込んで完成です。
6. 動作確認、トラブル対応
・最初に電源をつないで電源電圧(3.3V、5V)を確認しました。
・USBシリアルはテラタームでブレーク信号を送出してLEDで確認しました。
・AUDIOは実際にパソコンとIC-7000Mに接続して確認しました。
受信はサウンドで受信音をパソコンのスピーカーに出して聞こえる事を確認
送信はWaveGeneでパソコンから音を送ってDATAコネクタのTxAudio信号にイヤホンを接続して確認
・次にWSJT-Xの設定を変更(マイク/スピーカ)して実際に送受信してみました。
受信は問題ない。ボリュームでレベル調整した。PC側レベルは50%にした。
送信も送信出力を0%で送信するとALCが振れるので問題ない。モニターONするとモニター音が聞こえる。ALCがオーバーしないようにボリュームでレベル調整した。PC側レベルは50%くらいにした。
・その後トラブル発生。 実際に通信してみようと送信出力100%で送信テストするとWSJT-Xでエラーが表示され、送信も受信も音が出なくなりました。
しばらく悩みましたが、送信開始するとUSBオーディオ変換アダプタがおかしくなるので、どうも送信の周り込みでUSBオーディオ変換アダプタがエラー(リセット?)するらしいです。
このため、4本のケーブルにフェライトコアを追加したら現象が起きなくなりました。
・通信確認
問題なく通信出来ています。
・改善変更点
LEDが明るすぎるので調整が必要でした。手持ちの青色LEDを付けたのですが高輝度LEDなので10mAの電流では眩しかったです。
ボリュームを付けて調整したところ5KΩくらいの明るさが丁度良かったので電流制限抵抗を220Ωから4.7KΩに変更しました。
屋外で使うのならもっと明るいほうが良いかも知れません。
・表示
テプラでシールを作って貼りました。
(余談)
40年以上前の学生の頃は自作品に転写シールから文字を一文字づつ転写して最後にクリアラッカーをかけていましたが、最近はプリンタでフィルムに印刷して貼る方法が一般的なようですね。 今度やってみようと思います。
(就職してからは、試作は業者さんにお願いしていました。最初の頃は事業部内に試作部門がありましたね。文字表示もやってもらえました。)
7. ランニング他
・現在IC-7000MでHFのFT8/JT65の運用をしています。
IC-7000Mはアンテナチューナーが無いし、主にV/UHF用で使っているので、しばらく使って問題が無いようならHF用はIC-7300Mに戻すつもりです。
144MHzでJT65をやりたいですが、山口県の田舎ではFMで出ている局もほとんどいない状況なのでJT65で出ている局はまず居ないと思います。春になって144MHzのEスポでも出れば144MHzでJT65通信が出来るかも知れませんので、それを期待したいと思います。
・話が前後しますが、評価用に格安オシロスコープを購入したので気になっていたところを確認しました。
オシロが届いた時には動作確認が終わっていたので、簡単に以下を確認しました。
オーディオ信号のレベルとノイズ
データ通信波形の確認
Lowレベルの電圧(保護抵抗の影響を確認) 0.5Vで問題ない。
保護抵抗の電流値(信号High時にも保護回路により3.3Vに引き込んでいるので電流が流れている。) 0.6mAで問題ない。
詳しくは格安オシロスコープ(Kuman DSO Shell ) を入手。ちゃんと使えました。を参照してください。
ずいぶん長い記事になってしましました。m(__)m
(2021年12月21日 追加情報)
本記事を参考にしてPCインターフェースBOXを制作した方から「IC-756Pro2でうまく動かなかった。R7 4.7kΩのプルアップ抵抗、保護回路を外したら動いた。」という情報をいただきました。
IC-756Pro2のCI-V回路を見ると5V電源で動いています。

IC-7000は3.3V電源です。(ICOM機 DATA端子、REMOTE端子 考察 参照)

IC-756Pro2は5V電源なので3.3Vにプルアップするとうまく動かないようです。
ところで、本記事を書いた時点ではリグとパソコンのアイソレーションが重要なのだろうと思って、IC-7000Mのマニュアルに書いてあるようにAUDIO信号をトランスで分離しました。しかしその後、トランスで分離しなくても問題は無く、送信の回り込みはコアで対策する必要がある事が分かってきました。
USBインターフェースの無いICOM機を使う場合は、以下の記事を参考にしてAUDIOケーブルを作るのが良いと思います。
CI-VケーブルはAmazonで買うのが良いと思います。
ICOM機 FT8用AUDIOケーブル作成
Amazonのノーブランド ICOM CI-Vケーブルを買ってみた
(2022年1月23日 追記)FT8通信の設定
本PCインターフェースを使ってFT8通信を行う場合の通信ソフト、無線機の設定についての記事を書きました。
IC-7000 FT8通信の設定



















コメント
(お願い)質問はメールではなく、コメントでお願いします。