先の記事でIC-9700の新しいファームウェアVersion1.10で外部同期機能が追加されたという話を書きましたが、ヤフオクで入札したGPSDO(GPS Disciplined Oscillator)が届いてIC-9700に接続したので記事にしておきます。
購入したGPSDOはヤフオクで新品出品されているもので、LCDディスプレイ付きのOCXO搭載タイプです。
LCDディスプレイ付きの中で一番安価なものにしました。ダブルオーブンOCXOのものもありますが、値段は3倍します。
基準発振器 LCD表示/ケース入り GPSDO 10MHz 電源・アンテナ付き 17,500円(送料無料)
届いたGPSDOです。ACアダプタとGPSアンテナおよびA4一枚の説明書が付属しています。
他にIC-9700との接続用に1mのBNCケーブルを作りました。GPSDOの10MHz出力はBNCコネクタですが、IC-9700側はSMTコネクタなので変換コネクタを使って接続します。
入札時に出品者にGPSDOの10MHz出力レベルを確認したら8dBm(50Ω)との回答をもらいましたが、IC-9700側は-10dBmなのでレベル調整が必要です。
このため、GPSDOの中にアッテネーター抵抗を入れました。
まず、ケースから基板を出してみました。前面パネルと後面パネルのネジ4本を外すとケースが外れます。
(面白いと思ったのですが、前面と後面のパネルはプリント基板なんですね。プリント基板はガーバーデーターを送れば簡単に作ってもらえるし、シルク表示も入るので良いアイデアですね。ガラスエポキシのようなので強度も十分だと思います。)
基板は上がTrue Position社のGPSクロックモジュールで下が制御基板です。GPSクロックモジュールは、何かの業務用装置の中古基板らしいです。
制御基板は電源、コネクタとマイコンが載っているだけです。
GPSクロックモジュールからの10MHzクロックがコネクタを介さず半田付けで制御基板に配線されているので、ここにアッテネーター用の抵抗を入れる事にしました。
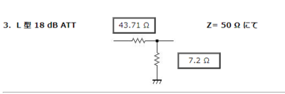
+8dbmを-10dBmにするので、18dBのアッテネーターをATT. 減衰器の計算 ATTCalc.で計算しました。
L型18dB(Z=50Ω)のアッテネーターの抵抗値は 43Ω/7.2Ω になりますが、手持の抵抗が無かったので47Ωと11Ω(22Ω2個パラ)を使いました。それほどの精度は必要ないので問題ないと思います。(^^;
同軸を外して抵抗を入れました。
出来ればレベル確認をしたいのですが、新米カムバックハムの私はRF信号を測定できるような測定器を何も持っていません。(^^;
今回は決め打ちで、結果オーライで行きます。オシロスコープが欲しいです。(笑)
(追記 2019年7月25日)
その後、外部基準信号同期エラーが起きるので、オシロでレベル確認をしました。
レベルがだいぶ大きかったので調整しました
IC-9700 外部基準信号同期エラー レベルの問題では無さそう
レベル調整の改造を行ってからIC-9700とGPSDO、GPSアンテナを接続して動かしてみました。
IC-9700のREF INにはBNC-SMT変換コネクタを介して接続しました。
GPSDOの後面の接続です。
最初、アンテナを室内に置いた状態では衛星を捕捉出来ませんでした。
以前、USB GPS レシーバーを使ってパソコンの時刻合わせを行うようにした時は室内でも衛星を捕捉していましたが、このGPSDOは室内アンテナでは駄目なようです。
このため、部屋の外の軒下にアンテナを出したら衛星を捕捉するようになりました。
起動直後の状態です。S19は衛星捕捉待ちらしいです。
なお、表示の意味はACP 横の数字が受信している衛星数、S19の位置が10MHzのステータスを示します。
しばらくするとS1安定化中になりました。
その後、約35分後にLOCKに変わりました。OCXOのオーブンのウォームアップが30分程度かかるようです。
GPSクロックがLOCKになった状態で、
IC-9700側でMENUボタン-->SET-->機能設定基準周波数調整
[開始]をタッチすると、同期中画面になります。
しばらくすると、外部同期状態になりました。
無事に10MHz基準信号に同期出来たようです。\(^o^)/
機能設定の画面で同期状態を表示できますが、増設FANをOFF状態からON状態にするとFINEの値がじわじわ動いて行きます。IC-9700のTCXOの周波数変化を追っかけて補正しているのが分かって面白いです。(^^;
以上で動作確認が終わりましたが、長時間動かしているとGPSDOのLOCKが外れる事がありました。
衛星を捕捉出来ない時刻があるようです。
対策として、軒下より外側にGPSアンテナを設置する為に、急遽以下を購入しました。
ナフコ アルミ角パイプ 1.5mx15mmx15mm 699円
Amazon leeyovk SMA 端子 同軸変換 延長 ケーブル 2m SMAオス⇔メス 673円
アンテナケーブルの長さが足りないので2mの延長ケーブルを購入しました。
アルミ角パイプを垂木に取付けて先端にGPSアンテナをタイラップで固定してあります。
アンテナを上空を見通せる位置に出すと衛星数が増えて同期が外れる事は無くなりました。
GPSDOはGPSのクロックを受信できていれば良くて、位置を算出するわけでは無いので衛星1個の受信で良さそうですが、複数衛星を使って補正するのでしょうか?
以上でIC-9700の外部同期が出来たので、今度の日曜日の1200MHzのJT65 / FT8 / JS8 の微弱通信 送信スケジュールで試してみようと思います。
(追記 2019/6/17 )
試した結果を書きました。IC9700+GPSDO 1200MHz FT8でQSOしてみました
(おまけ1)
GPSDOのLCDに表示される時刻と電波時計の時刻の秒表示がずれています。
気になって確認したら、GPSの時刻はうるう秒で補正して表示する必要がありますが、このGPSDOはそのまま表示しているそうです。出品情報にも書いてありました。
Wikiによると「GPS時刻は、1980年1月6日時点ではUTCと同一(したがって TAI - 19秒)であった。その後UTCに閏秒が挿入されても、TAIと同様にGPS時刻は修正されていない。したがってGPS時刻はUTCに比べ、このとき以降挿入された閏秒の実施回数秒だけ進んでいる。」との事です。
(おまけ2)
せっかくGPSDOの中を覗いたので主要部品について調べてみました。
主要部品は以下の様なものです。
・True Position Incクロックモジュール基板
FURUNO GT-8031A Timing GPS Receiver Module
Bliley NV47A1282 10MHz OCVCXO(Oven-Controlled Voltage-Controlled crystal Oscillator)
ALTERA EP20K160ETC144-2 FPGA APEX 20K
・制御基板
ATMEL MEGA328 AVRマイコン 8bit CPU
クロックモジュール基板に200?の文字が見えますが、2000年代に製造されたもののようです。
クロックモジュール基板では、GT-8031Aから出力されるGPS時刻に同期した1HzのクロックからPLLでOCVCXOの制御電圧を制御して10MHzクロックを1Hzクロックに同期させる仕組みだと思われます。
FPGAでPLL制御フィルターを構成しているようです。
制御基板ではマイコンでGT-8031Aの捕捉衛星数、PLL制御回路のLOCK状態などを読み込んでLCDディスプレイに表示しているのだと思います。
このGPSDOはOCXO(OCVCXO)を使っていますが、無線機のTCXOのドリフト対策用ならVCXOを使ったGPSDOでも十分な気がします。そもそもIC-9700側がCPUで周波数のズレを検出して制御しているので、それほどの精度、安定度は必要ないのではないかと思います。
また、GPSDOでOCXOを使う大きな目的は衛星信号が途切れた場合のホールドオーバーだと思いますが、アンテナの設置環境が良ければ信号が途切れる心配は少ないと思います。(素人考えかも知れません。(^^;)
購入したGPSDOはヤフオクで新品出品されているもので、LCDディスプレイ付きのOCXO搭載タイプです。
LCDディスプレイ付きの中で一番安価なものにしました。ダブルオーブンOCXOのものもありますが、値段は3倍します。
基準発振器 LCD表示/ケース入り GPSDO 10MHz 電源・アンテナ付き 17,500円(送料無料)
届いたGPSDOです。ACアダプタとGPSアンテナおよびA4一枚の説明書が付属しています。
他にIC-9700との接続用に1mのBNCケーブルを作りました。GPSDOの10MHz出力はBNCコネクタですが、IC-9700側はSMTコネクタなので変換コネクタを使って接続します。
入札時に出品者にGPSDOの10MHz出力レベルを確認したら8dBm(50Ω)との回答をもらいましたが、IC-9700側は-10dBmなのでレベル調整が必要です。
このため、GPSDOの中にアッテネーター抵抗を入れました。
まず、ケースから基板を出してみました。前面パネルと後面パネルのネジ4本を外すとケースが外れます。
(面白いと思ったのですが、前面と後面のパネルはプリント基板なんですね。プリント基板はガーバーデーターを送れば簡単に作ってもらえるし、シルク表示も入るので良いアイデアですね。ガラスエポキシのようなので強度も十分だと思います。)
基板は上がTrue Position社のGPSクロックモジュールで下が制御基板です。GPSクロックモジュールは、何かの業務用装置の中古基板らしいです。
制御基板は電源、コネクタとマイコンが載っているだけです。
GPSクロックモジュールからの10MHzクロックがコネクタを介さず半田付けで制御基板に配線されているので、ここにアッテネーター用の抵抗を入れる事にしました。
+8dbmを-10dBmにするので、18dBのアッテネーターをATT. 減衰器の計算 ATTCalc.で計算しました。
L型18dB(Z=50Ω)のアッテネーターの抵抗値は 43Ω/7.2Ω になりますが、手持の抵抗が無かったので47Ωと11Ω(22Ω2個パラ)を使いました。それほどの精度は必要ないので問題ないと思います。(^^;
同軸を外して抵抗を入れました。
出来ればレベル確認をしたいのですが、新米カムバックハムの私はRF信号を測定できるような測定器を何も持っていません。(^^;
今回は決め打ちで、結果オーライで行きます。オシロスコープが欲しいです。(笑)
(追記 2019年7月25日)
その後、外部基準信号同期エラーが起きるので、オシロでレベル確認をしました。
レベルがだいぶ大きかったので調整しました
IC-9700 外部基準信号同期エラー レベルの問題では無さそう
レベル調整の改造を行ってからIC-9700とGPSDO、GPSアンテナを接続して動かしてみました。
IC-9700のREF INにはBNC-SMT変換コネクタを介して接続しました。
GPSDOの後面の接続です。
最初、アンテナを室内に置いた状態では衛星を捕捉出来ませんでした。
以前、USB GPS レシーバーを使ってパソコンの時刻合わせを行うようにした時は室内でも衛星を捕捉していましたが、このGPSDOは室内アンテナでは駄目なようです。
このため、部屋の外の軒下にアンテナを出したら衛星を捕捉するようになりました。
起動直後の状態です。S19は衛星捕捉待ちらしいです。
なお、表示の意味はACP 横の数字が受信している衛星数、S19の位置が10MHzのステータスを示します。
しばらくするとS1安定化中になりました。
その後、約35分後にLOCKに変わりました。OCXOのオーブンのウォームアップが30分程度かかるようです。
GPSクロックがLOCKになった状態で、
IC-9700側でMENUボタン-->SET-->機能設定基準周波数調整
[開始]をタッチすると、同期中画面になります。
しばらくすると、外部同期状態になりました。
無事に10MHz基準信号に同期出来たようです。\(^o^)/
機能設定の画面で同期状態を表示できますが、増設FANをOFF状態からON状態にするとFINEの値がじわじわ動いて行きます。IC-9700のTCXOの周波数変化を追っかけて補正しているのが分かって面白いです。(^^;
以上で動作確認が終わりましたが、長時間動かしているとGPSDOのLOCKが外れる事がありました。
衛星を捕捉出来ない時刻があるようです。
対策として、軒下より外側にGPSアンテナを設置する為に、急遽以下を購入しました。
ナフコ アルミ角パイプ 1.5mx15mmx15mm 699円
Amazon leeyovk SMA 端子 同軸変換 延長 ケーブル 2m SMAオス⇔メス 673円
アンテナケーブルの長さが足りないので2mの延長ケーブルを購入しました。
アルミ角パイプを垂木に取付けて先端にGPSアンテナをタイラップで固定してあります。
アンテナを上空を見通せる位置に出すと衛星数が増えて同期が外れる事は無くなりました。
GPSDOはGPSのクロックを受信できていれば良くて、位置を算出するわけでは無いので衛星1個の受信で良さそうですが、複数衛星を使って補正するのでしょうか?
以上でIC-9700の外部同期が出来たので、今度の日曜日の1200MHzのJT65 / FT8 / JS8 の微弱通信 送信スケジュールで試してみようと思います。
(追記 2019/6/17 )
試した結果を書きました。IC9700+GPSDO 1200MHz FT8でQSOしてみました
(おまけ1)
GPSDOのLCDに表示される時刻と電波時計の時刻の秒表示がずれています。
気になって確認したら、GPSの時刻はうるう秒で補正して表示する必要がありますが、このGPSDOはそのまま表示しているそうです。出品情報にも書いてありました。
Wikiによると「GPS時刻は、1980年1月6日時点ではUTCと同一(したがって TAI - 19秒)であった。その後UTCに閏秒が挿入されても、TAIと同様にGPS時刻は修正されていない。したがってGPS時刻はUTCに比べ、このとき以降挿入された閏秒の実施回数秒だけ進んでいる。」との事です。
(おまけ2)
せっかくGPSDOの中を覗いたので主要部品について調べてみました。
主要部品は以下の様なものです。
・True Position Incクロックモジュール基板
FURUNO GT-8031A Timing GPS Receiver Module
Bliley NV47A1282 10MHz OCVCXO(Oven-Controlled Voltage-Controlled crystal Oscillator)
ALTERA EP20K160ETC144-2 FPGA APEX 20K
・制御基板
ATMEL MEGA328 AVRマイコン 8bit CPU
クロックモジュール基板に200?の文字が見えますが、2000年代に製造されたもののようです。
クロックモジュール基板では、GT-8031Aから出力されるGPS時刻に同期した1HzのクロックからPLLでOCVCXOの制御電圧を制御して10MHzクロックを1Hzクロックに同期させる仕組みだと思われます。
FPGAでPLL制御フィルターを構成しているようです。
制御基板ではマイコンでGT-8031Aの捕捉衛星数、PLL制御回路のLOCK状態などを読み込んでLCDディスプレイに表示しているのだと思います。
このGPSDOはOCXO(OCVCXO)を使っていますが、無線機のTCXOのドリフト対策用ならVCXOを使ったGPSDOでも十分な気がします。そもそもIC-9700側がCPUで周波数のズレを検出して制御しているので、それほどの精度、安定度は必要ないのではないかと思います。
また、GPSDOでOCXOを使う大きな目的は衛星信号が途切れた場合のホールドオーバーだと思いますが、アンテナの設置環境が良ければ信号が途切れる心配は少ないと思います。(素人考えかも知れません。(^^;)























コメント
(お願い)質問はメールではなく、コメントでお願いします。