今日は良い天気で気温が高いですね。
朝、ちょっと畑に行きましたが、昼間の外仕事は厳しいので家にいます。
2週間くらい前にローカルさんが6m FT8に出られていましたが、JTDXのウォーターフォールで2倍、3倍の子、孫が見えるので、ALCが振れていないかとJTDXの設定でFake ItがONになっているか確認してもらいました。結果は、どちらも問題ありませんでした。
疑ってごめんなさい。m(__)m
その時のこちらの無線機はIC-7000Mで自作のPCインターフェースBOXを付けたものでした。確認のため、もう一台のIC-7300Mで受信してみたところ問題ありません。
強力な信号だとIC-7000Mの受信側でクリッピングされて歪が出るのかなという事で、とりあえずPCインターフェースBOXのボリュームで受信レベルを下げて使っていました。
一昨日、時間があったので調査してみました。
IC-7300Mにダミーを付けて1W出力で送信して、アンテナを外したIC-7000Mで受信してみました。JTDXを使ってDF 500Hzで[TUNE]で送信すると、受信側では1000Hz、1500Hz....に高調波が見えます。

パソコン側のスペアナソフトで見た波形です。

どういう歪み方なんだろうという事で、PCインターフェースBOX内で受信オーディオ信号を確認しました。

波形観測は格安中華オシロスコープを使いました。
クリッピング歪ではなく二つの信号が合成された感じです。思い当たる節がありました。
IC-7000のDATAコネクタの信号です。

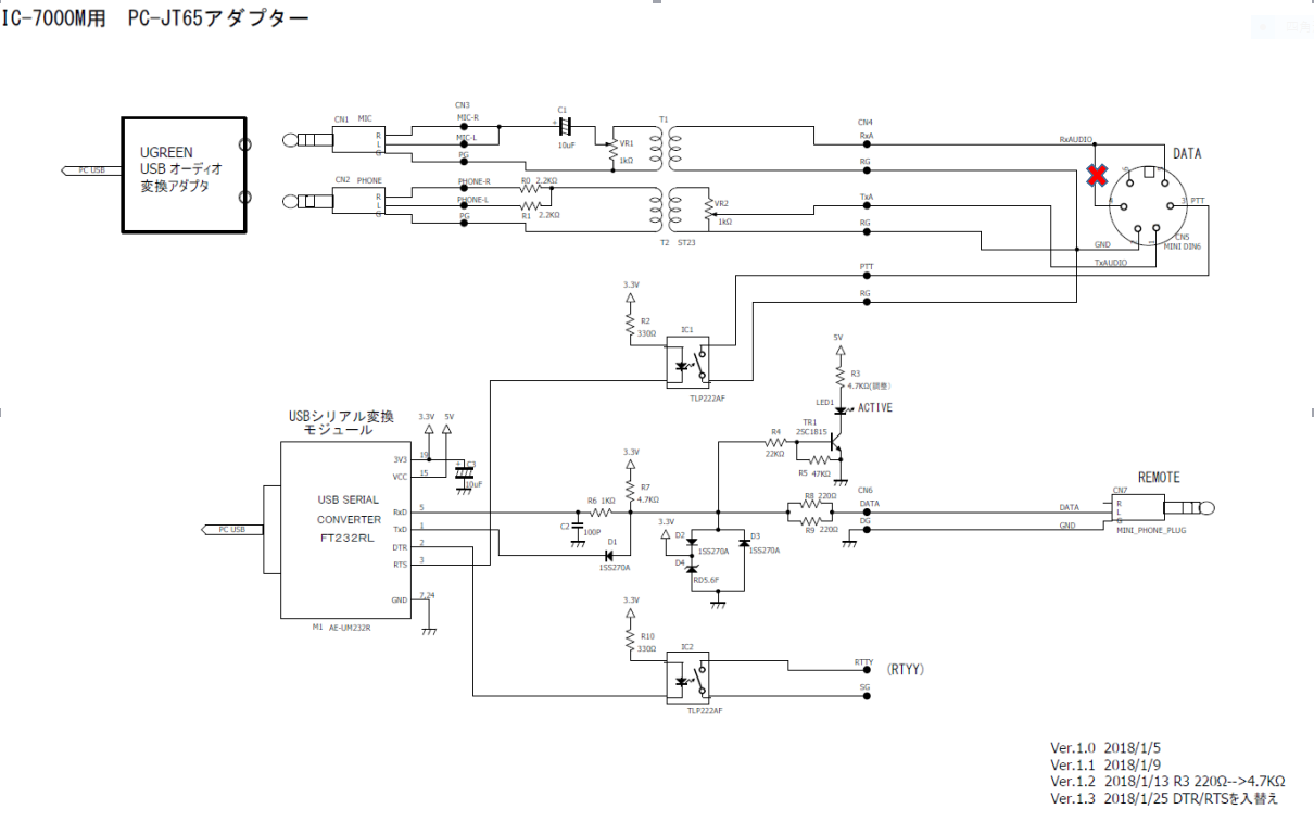
PCインターフェース作成時に、説明書の「DATAソケット使用時のTNCの接続」という図を参考にDATA OUTとAF OUTを受信側に結線しましたが、これがまずかったようです。

今日、改造作業をやりました。
オシロでDATA OUTとAF OUTの信号を確認したところ、どちらでも良さそうなのでAF OUTのみを接続する事にしました。改造はDATA OUT側を切断すれば良いです。

実際の改造は今のDATAケーブルが短くて扱いにくかったので、少し長いシールド線に交換して行いました。

改造後の受信信号です。きれいな正弦波になりました。

IC-7300MからIC-7000Mに送信して受信側で高調波が出ないことを確認しました。

PCインターフェース作成時に深く考えずにDATA OUTとAF OUTの両方をつないでいましたが、考えたら出力信号(たぶんオペアンプ出力)を合わせて使うのはおかしいですね。説明書の「DATAソケット使用時のTNCの接続」もよく見ると片方が点線になってます。(^^;
お粗末な話ですが、+20dBくらいの強い信号でのみ起きる問題なので長らく気がつきませんでした。
朝、ちょっと畑に行きましたが、昼間の外仕事は厳しいので家にいます。
2週間くらい前にローカルさんが6m FT8に出られていましたが、JTDXのウォーターフォールで2倍、3倍の子、孫が見えるので、ALCが振れていないかとJTDXの設定でFake ItがONになっているか確認してもらいました。結果は、どちらも問題ありませんでした。
疑ってごめんなさい。m(__)m
その時のこちらの無線機はIC-7000Mで自作のPCインターフェースBOXを付けたものでした。確認のため、もう一台のIC-7300Mで受信してみたところ問題ありません。
強力な信号だとIC-7000Mの受信側でクリッピングされて歪が出るのかなという事で、とりあえずPCインターフェースBOXのボリュームで受信レベルを下げて使っていました。
一昨日、時間があったので調査してみました。
IC-7300Mにダミーを付けて1W出力で送信して、アンテナを外したIC-7000Mで受信してみました。JTDXを使ってDF 500Hzで[TUNE]で送信すると、受信側では1000Hz、1500Hz....に高調波が見えます。

パソコン側のスペアナソフトで見た波形です。

どういう歪み方なんだろうという事で、PCインターフェースBOX内で受信オーディオ信号を確認しました。

波形観測は格安中華オシロスコープを使いました。
クリッピング歪ではなく二つの信号が合成された感じです。思い当たる節がありました。
IC-7000のDATAコネクタの信号です。

PCインターフェース作成時に、説明書の「DATAソケット使用時のTNCの接続」という図を参考にDATA OUTとAF OUTを受信側に結線しましたが、これがまずかったようです。

今日、改造作業をやりました。
オシロでDATA OUTとAF OUTの信号を確認したところ、どちらでも良さそうなのでAF OUTのみを接続する事にしました。改造はDATA OUT側を切断すれば良いです。

実際の改造は今のDATAケーブルが短くて扱いにくかったので、少し長いシールド線に交換して行いました。

改造後の受信信号です。きれいな正弦波になりました。

IC-7300MからIC-7000Mに送信して受信側で高調波が出ないことを確認しました。

PCインターフェース作成時に深く考えずにDATA OUTとAF OUTの両方をつないでいましたが、考えたら出力信号(たぶんオペアンプ出力)を合わせて使うのはおかしいですね。説明書の「DATAソケット使用時のTNCの接続」もよく見ると片方が点線になってます。(^^;
お粗末な話ですが、+20dBくらいの強い信号でのみ起きる問題なので長らく気がつきませんでした。
コメント
コメント一覧 (3)
何でこのような仕様になっているんでしょう。ということは50以外でも強い信号を受けたときにはこんな感じになるんでしょうね。JOEさん測定器を上手に使ってます。オーディオのスペアナきれいに見えますね。
昨日はHFが賑やかでした。
JA4JOE
が
しました
IC-7000Mは日頃は主に144/430で使っていて、夏の間のみ50のEスポ用で常時ワッチに使っています。
今まで6mのFT8で出ているローカルさんがいなかったんで気づかなかったようです。
USBで直接つなげるHF~430MHzのリグが欲しくなりますが、IC-705は固定で使うには向かないですね。
今日も暑くなりそうです。
JA4JOE
が
しました
JA4JOE
が
しました
(お願い)質問はメールではなく、コメントでお願いします。