最近は、昼間は暑いので部屋でエアコンを入れて過ごしています。
ここから、長い前置きです。読み飛ばしてもらって結構です。(笑)
また、FT8を始めたいという方がいるのでお手伝いしています。大学の無線部の先輩で、私より10年くらい上の大先輩です。
2名いらっしゃって、どちらもコンテストなどをアクティブにやられています。
お一人はFTDX101MPを使われているので、ローカルさんのところで設定をやったことがあります。
宮崎にお住まいなので、リモートで設定をやりました。
先に宮崎在住の後輩に手伝ってもらって、LINEの友達追加、TeamViewerのインストール、FTDX101MPのバージョンアップをやってもらいました。
先日、リモートでJTDXとJT_Linkerをインストールして、各種設定を行って、なんとか通信できるようにしました。
FTDX101MPの画面はスマホのLINEでテレビ電話をしながら、スマホカメラで映してもらいました。
もうお一方は福岡の方でIC-7700をお使いです。
IC-7700はUSBインターフェースがあるので簡単に接続できるのかと思ったのですが、調べるとUSBメモリーとキーボード用でFT8用には使えない事が分かりました。
アダプタが必要です。何を用意すれば良いか聞かれたので探してみましたが適当なものがありません。八重洲にはSCU-17がありますが、ICOMには同等のものがなく、市販品もオーディオとCI-Vの両方を変換するものが無いようです。
以前、IC-7000M用インターフェースBOXを作りましたが、これ相当のものは売っていないようです。
オーディオ信号とPTT信号のみのものは、以下の様なものが見つかりました。
テクニカルシャック DIF3
JG5CBRさん領布 digiaid
他にヤフオクなどにもありますが、どれもCI-Vインターフェースがありません。
これだと、CI-Vは別につながないといけません。
CI-Vケーブルは以下のようなものがありますが、ノーブランド品はドライバーのトラブルが心配です。(値段とレビューを見ると大丈夫そうですが。)
【ノーブランド品】I-com / CI-V / CT―17短波ラジオ放送局用データケーブル 1,585円
他にヤフオクにも変換ケーブルがあります。
以上が長い前置きでここから本文です。(^^;
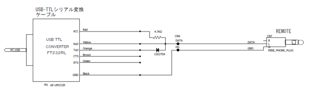
CI-Vケーブルを調べていて、そう言えば以前ローカルさんのTS-690でのFT8のお手伝いをした時に購入して使えなかったUSB-TTLシリアルケーブルがあるのを思い出しました。
Amazon TTL UARTシリアルケーブル6フィート、TTL-232R-5V-WE互換
それをCI-Vケーブルに改造してみようと思いつきました。(^^;
久々にBSch3Vで回路図を書いてみました。IC-7000M用インターフェースBOXの回路図を流用したのでケーブルっぽく無いですが、ご容赦を。(笑)

ケーブルに組み込むので保護回路などは省略しました。
IC-7700のCI-Vインターフェースはトランジスタ受けなので、スイッチング用ダイオードで引き込んでも問題ありません。

ネットでTxDとRxDを直接つないでCI-Vコネクタに接続すれば良いという情報がありますが、TxDがHigh時にLowに引き込まれるので、あまり良ろしく無いです。最近のLSIは保護回路があるので壊れる事は無いと思いますが、回路設計屋としてはNGです。
プルアップ抵抗はケーブルの途中に入れました。

ダイオードはCI-Vコネクタ(3.5mmフォーンプラグ)の中に入れました。
収縮チューブで保護しています。

回り込み対策のフェライトコアを付けました。ケーブルの接続部は収縮チューブをかけて、フェライトコアの中に入れました。

念のため信号の波形確認をしておきました。

動作確認はHAMLOGのリグ接続機能を使ってやりました。CI-Vケーブルを使うと、JTDXとHAMLOGのCAT制御が同時に使えます。

JTDXを動かしながらHAMLOGへ周波数/モードを取り込むことが出来ますが、JT_Linkerを使うので必要ないし邪魔ですね。(笑)
眠っていたUSB-TTLシリアルケーブルを有効活用出来ました。
でも、AmazonでCI-Vケーブルを買った方が早いかも知れません。(^^;
引き続き、FT8用AUDIOケーブルも作ったので参考にしてください。ICOM機 FT8用AUDIOケーブル作成
(追記 2020年8月25日)
AmazonでCI-Vケーブルを購入して評価しました。ドライバーのインストールが必要ですがちゃんと使えました。
Amazonのノーブランド ICOM CI-Vケーブルを買ってみた
ここから、長い前置きです。読み飛ばしてもらって結構です。(笑)
また、FT8を始めたいという方がいるのでお手伝いしています。大学の無線部の先輩で、私より10年くらい上の大先輩です。
2名いらっしゃって、どちらもコンテストなどをアクティブにやられています。
お一人はFTDX101MPを使われているので、ローカルさんのところで設定をやったことがあります。
宮崎にお住まいなので、リモートで設定をやりました。
先に宮崎在住の後輩に手伝ってもらって、LINEの友達追加、TeamViewerのインストール、FTDX101MPのバージョンアップをやってもらいました。
先日、リモートでJTDXとJT_Linkerをインストールして、各種設定を行って、なんとか通信できるようにしました。
FTDX101MPの画面はスマホのLINEでテレビ電話をしながら、スマホカメラで映してもらいました。
もうお一方は福岡の方でIC-7700をお使いです。
IC-7700はUSBインターフェースがあるので簡単に接続できるのかと思ったのですが、調べるとUSBメモリーとキーボード用でFT8用には使えない事が分かりました。
アダプタが必要です。何を用意すれば良いか聞かれたので探してみましたが適当なものがありません。八重洲にはSCU-17がありますが、ICOMには同等のものがなく、市販品もオーディオとCI-Vの両方を変換するものが無いようです。
以前、IC-7000M用インターフェースBOXを作りましたが、これ相当のものは売っていないようです。
オーディオ信号とPTT信号のみのものは、以下の様なものが見つかりました。
テクニカルシャック DIF3
JG5CBRさん領布 digiaid
他にヤフオクなどにもありますが、どれもCI-Vインターフェースがありません。
これだと、CI-Vは別につながないといけません。
CI-Vケーブルは以下のようなものがありますが、ノーブランド品はドライバーのトラブルが心配です。(値段とレビューを見ると大丈夫そうですが。)
【ノーブランド品】I-com / CI-V / CT―17短波ラジオ放送局用データケーブル 1,585円
他にヤフオクにも変換ケーブルがあります。
以上が長い前置きでここから本文です。(^^;
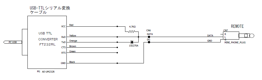
CI-Vケーブルを調べていて、そう言えば以前ローカルさんのTS-690でのFT8のお手伝いをした時に購入して使えなかったUSB-TTLシリアルケーブルがあるのを思い出しました。
Amazon TTL UARTシリアルケーブル6フィート、TTL-232R-5V-WE互換
それをCI-Vケーブルに改造してみようと思いつきました。(^^;
久々にBSch3Vで回路図を書いてみました。IC-7000M用インターフェースBOXの回路図を流用したのでケーブルっぽく無いですが、ご容赦を。(笑)

ケーブルに組み込むので保護回路などは省略しました。
IC-7700のCI-Vインターフェースはトランジスタ受けなので、スイッチング用ダイオードで引き込んでも問題ありません。

ネットでTxDとRxDを直接つないでCI-Vコネクタに接続すれば良いという情報がありますが、TxDがHigh時にLowに引き込まれるので、あまり良ろしく無いです。最近のLSIは保護回路があるので壊れる事は無いと思いますが、回路設計屋としてはNGです。
プルアップ抵抗はケーブルの途中に入れました。

ダイオードはCI-Vコネクタ(3.5mmフォーンプラグ)の中に入れました。

収縮チューブで保護しています。

回り込み対策のフェライトコアを付けました。ケーブルの接続部は収縮チューブをかけて、フェライトコアの中に入れました。

念のため信号の波形確認をしておきました。

動作確認はHAMLOGのリグ接続機能を使ってやりました。CI-Vケーブルを使うと、JTDXとHAMLOGのCAT制御が同時に使えます。

JTDXを動かしながらHAMLOGへ周波数/モードを取り込むことが出来ますが、JT_Linkerを使うので必要ないし邪魔ですね。(笑)
眠っていたUSB-TTLシリアルケーブルを有効活用出来ました。
でも、AmazonでCI-Vケーブルを買った方が早いかも知れません。(^^;
引き続き、FT8用AUDIOケーブルも作ったので参考にしてください。ICOM機 FT8用AUDIOケーブル作成
(追記 2020年8月25日)
AmazonでCI-Vケーブルを購入して評価しました。ドライバーのインストールが必要ですがちゃんと使えました。
Amazonのノーブランド ICOM CI-Vケーブルを買ってみた
コメント
コメント一覧 (4)
JA4JOE
が
しました
アイコムは昔のリグの説明書にはインターフェースの回路図が載っています。自分で作れという事のようです。
CI-VインターフェースもCT-17というRS232-CI-V変換ケーブルを販売していましたが、今は無いですね。
メーカーとしては、古いリグでFT8をやらずに、現行のUSBのあるリグを買ってねという事でしょう。
EORさんのTS-690はCATインターフェースが故障しているようです。101にした方が良いと思いますが、もったいない?
JA4JOE
が
しました
JA4JOE
が
しました
今日は少し涼しいですね。
DX中心で962局はなかなかのペースですね。DXCCアカウントは60ですか。私は今80くらいですが、最近まったく増えなくなりました。
FTDX101MPはせっかくの高性能無線機なので、使わない方がもったいないと思いますが。(笑)
eQSLのブロンズメンバー登録は、6月のブログに支払方法を書いたので見てください。
https://tanukijima.at.webry.info/202006/article_12.html
支払はPayPalしか無かったので、PayPalを登録してください。
不明点あれば聞いてください。
部屋にいる時は145MHzをワッチしてます。(最近、430MHZはD-STARになってます。)
JA4JOE
が
しました
(お願い)質問はメールではなく、コメントでお願いします。