以前から気になっていたのですが、IC-9700にはUSBシリアルポートが2つあります。
WSJT-XやJTDXでは通常、若いほうの番号のCOMポートを指定すれば動きますが、人(パソコン)によっては、もう一方の番号のCOMポートを指定しないと動かない事があります。
今回、ブログ読者からIC-9700のシリアルポートの指定に関して問い合わせがあったので、IC-9700のUSBシリアルポートについて再度調べてみました。
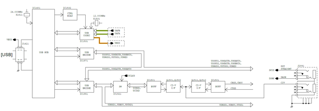
サービスマニュアルにあるCI-V周りのブロック図です。

USB BRIDGEと書かれているICがCP2102でUSBシリアルポートです。
USB BRIDGEが2個あって、上側がUSB(B)で下側がUSB(A)だと思います。
それぞれのシリアル信号はMAIN-CPUのシリアルポートに接続されています。
WindowsのデバイスマネージャではIC-9700のUSBシリアルポートは2つ表示されます。

私の環境ではCOM5とCOM6です。
USB(B)はRTTYデコード、DVデータ用に割り当てることができますが、CI-Vを割り当てる事は出来ません。このため、FT8通信ソフトでUSB(B)側を指定すると動かないのだと思います。
若いほうの番号のCOMポートを指定すると動かない件は、Windowsに最初にIC-9700を接続した時のタイミングで、たまにUSB(B)が若い方のCOMポート番号になる事があり、USB(A)が割り当てられた2番目のCOMポート番号を指定しないといけないのではないかと思います。
(おまけ)
アイコムのホームページにある「解説書 USB ポート設定のヒント」という資料では、:IC-7100、IC-7851、IC-9100でも2 つの COM ポートがあるそうで、どちらのポートからもCI-V制御が出来るようです。
IC-9700ではUSB(B)からCI-V制御は出来ないようなので、IC-7100などとは違うのでしょうね。
他に同資料に各 COM ポートに対する内部回路の確認方法 が書いてあります。
WSJT-XやJTDXでは通常、若いほうの番号のCOMポートを指定すれば動きますが、人(パソコン)によっては、もう一方の番号のCOMポートを指定しないと動かない事があります。
今回、ブログ読者からIC-9700のシリアルポートの指定に関して問い合わせがあったので、IC-9700のUSBシリアルポートについて再度調べてみました。
サービスマニュアルにあるCI-V周りのブロック図です。

USB BRIDGEと書かれているICがCP2102でUSBシリアルポートです。
USB BRIDGEが2個あって、上側がUSB(B)で下側がUSB(A)だと思います。
それぞれのシリアル信号はMAIN-CPUのシリアルポートに接続されています。
WindowsのデバイスマネージャではIC-9700のUSBシリアルポートは2つ表示されます。

私の環境ではCOM5とCOM6です。
USB(B)はRTTYデコード、DVデータ用に割り当てることができますが、CI-Vを割り当てる事は出来ません。このため、FT8通信ソフトでUSB(B)側を指定すると動かないのだと思います。
若いほうの番号のCOMポートを指定すると動かない件は、Windowsに最初にIC-9700を接続した時のタイミングで、たまにUSB(B)が若い方のCOMポート番号になる事があり、USB(A)が割り当てられた2番目のCOMポート番号を指定しないといけないのではないかと思います。
(おまけ)
アイコムのホームページにある「解説書 USB ポート設定のヒント」という資料では、:IC-7100、IC-7851、IC-9100でも2 つの COM ポートがあるそうで、どちらのポートからもCI-V制御が出来るようです。
IC-9700ではUSB(B)からCI-V制御は出来ないようなので、IC-7100などとは違うのでしょうね。
他に同資料に各 COM ポートに対する内部回路の確認方法 が書いてあります。
デバイスマネージャーから対象のCOMポートのプロパティを表示して、
[詳細]→[デバイスインスタンス パス]を表示するとAかBかが分かります。

更に、COM ポート番号の変更方法も書いてあります。COMポート番号を整理したい方はやってみると良いと思います。
この資料、IC-9700も追加して改版して欲しいですね。(^^;
(追記)IC-9700以外のアイコム無線機
IC-7610もIC-9700と同じでCOMポートが2つあり、若番を指定すると動作しない場合があり
2番目のポート(老番)を指定するとうまくいくそうです。
分かっている範囲で分類してみました。
① COMポート2個でどちらを指定してもCI-V制御が出来る。
IC-7100、IC-7851、IC-9100
② COMポート1個
IC-7300
③ COMポート2個でUSB(A)のみCI-V制御が出来る。
[詳細]→[デバイスインスタンス パス]を表示するとAかBかが分かります。

更に、COM ポート番号の変更方法も書いてあります。COMポート番号を整理したい方はやってみると良いと思います。
この資料、IC-9700も追加して改版して欲しいですね。(^^;
(追記)IC-9700以外のアイコム無線機
IC-7610もIC-9700と同じでCOMポートが2つあり、若番を指定すると動作しない場合があり
2番目のポート(老番)を指定するとうまくいくそうです。
分かっている範囲で分類してみました。
① COMポート2個でどちらを指定してもCI-V制御が出来る。
IC-7100、IC-7851、IC-9100
② COMポート1個
IC-7300
③ COMポート2個でUSB(A)のみCI-V制御が出来る。
IC-7610、IC-9700
③はLANポートがある最近のモデルですね。
③はLANポートがある最近のモデルですね。
コメント
(お願い)質問はメールではなく、コメントでお願いします。